Śruby sześciokątne
1.AS/NZS 2465 Hexagon Head Bolts
2. Producent Bolt, własna fabryka: z przewagą cenową, eliminowanie różnicy cen pośredników.
3. Dodaj najwyższą wysokiej jakości branżę zagęszczoną stal, wysoką stabilność i długotrwałą trwałość.
4. Dostosowanie klientów.
5. Specjalna sprzedaż i usługa posprzedażna, zapraszamy do zapytania w dowolnym momencie.
6. Dostawa na czas.
Hexagon Head Bolts - kompleksowy przewodnik po ich funkcjach, aplikacjach i korzyściach
Śruby sześciokątnenależą do najczęściej używanych elementów złącznych w różnych branżach, znanych ze swojej wszechstronności, trwałości i siły. Śruby te mają głowę w kształcie sześciokątnej, zaprojektowana do użytku z kluczem lub gniazdkami, oferując doskonałą kontrolę momentu obrotowego i bezpieczne mocowanie. Czy to w zastosowaniach o ciężkiej konstrukcji, maszyn, motoryzacyjnych czy konstrukcyjnych,śruby sześciokątnesą niezbędnymi elementami, które stanowią niezawodne rozwiązanie dla licznych potrzeb przymocowania.
Co to są śruby sześciokątne?
Śruby sześciokątnesą elementami mocującymi głowę w kształcie sześciokątnym z gwintowanym walem. Sześcioosobowa konstrukcja głowy zapewnia wiele punktów kontaktu dla narzędzi takich jak klucze, umożliwiając mocne przyczepność i bezpieczne dokręcenie. Ta konstrukcja sprawia, że idealnie nadają się do zastosowań, w których konieczne są duży moment obrotowy i bezpieczne mocowanie.Śruby sześciokątneWystępuj w różnych rozmiarach, długościach i materiałach, dzięki czemu można je dostosować do różnych zastosowań w różnych branżach.
Główna różnica międzyśruby sześciokątnea inne rodzaje śrub, takie jak śruby kwadratowe lub okrągłe, to kształt głowy. Sześciokątny kształt umożliwia bardziej wydajne zastosowanie siły, ułatwiając ich dokręcenie lub poluzowanie za pomocą narzędzi ręcznych.
Kluczowe cechy śrub sześciokątnych
Silne zastosowanie momentu obrotowego
Sześciostronna głowaśruby sześciokątnePozwala na większy dystrybucję siły podczas nakładania momentu obrotowego. Ta funkcja zapewnia silne, bezpieczne mocowanie, zmniejszając ryzyko rozluźnienia z czasem.Wszechstronne rozmiary i materiały
Śruby sześciokątnesą dostępne w szerokiej gamie rozmiarów i materiałów, w tym ze stali węglowej, stali nierdzewnej, stali stopowej i mosiądzu. Ta wszechstronność sprawia, że nadają się do użytku w różnych środowiskach, od wewnątrz do zewnętrznej i w różnych branżach.Gwintowany wał
Gwintowany wałekśruby sześciokątneZapewnia silny i niezawodny uchwyt podczas zabezpieczania materiałów. Dostępne w grubszych i drobnych wątkach śruby te mogą być używane do różnych celów w zależności od wymagań aplikacji.Odporność na korozję
Wieleśruby sześciokątnesą dostępne z powłokami opornymi na korozję, takimi jak gatowanie cynku lub galwanizacja, aby wytrzymać czynniki środowiskowe, takie jak wilgoć, chemikalia i trudne warunki pogodowe.Trwałość i siła
Skonstruowane w celu zapewnienia wysokiej wytrzymałości i trwałości,śruby sześciokątnesą zdolne do wytrzymania znacznego naprężenia mechanicznego. To sprawia, że są idealne do wytrzymałych zastosowań w budownictwie, maszynach, motoryzacyjnych i innych.
Zastosowania śrub sześciokątnych
Śruby sześciokątnesą używane w różnych branżach ze względu na ich siłę, niezawodność i łatwość użytkowania. Niektóre typowe aplikacje obejmują:
🏗Budowa
Śruby sześciokątnesą szeroko stosowane w branży budowlanej do zabezpieczenia wiązek, kolumn i elementów konstrukcyjnych. Ich zdolność do wytrzymania wysokich obciążeń i zapewnienia bezpiecznego połączenia sprawia, że są niezbędne do budowania dużych konstrukcji, takich jak mosty, budynki i inne projekty infrastrukturalne.🚗Przemysł motoryzacyjny
W branży motoryzacyjnej,śruby sześciokątnesą powszechnie stosowane do montażu różnych elementów pojazdu, takich jak silniki, ramki i systemy zawieszenia. Śruby te zapewniają, że części krytyczne pozostają bezpiecznie przymocowane przy wysokim naprężeniu i wibracji.⚙️Maszyneria
Śruby sześciokątnesą szeroko stosowane w aplikacjach maszynowych i produkcyjnych do mocowania części, które mają wysoki poziom stresu mechanicznego. Są one używane we wszystkim, od przenośników po sprzęt przemysłowy, zapewniając, że części ruchome pozostają bezpiecznie połączone.🔩Zastosowania morskie
Śruby sześciokątneZ powłokami opornymi na korozję, takimi jak stal nierdzewna lub wykończenia ocynkowane, są idealne do zastosowań morskich, w których ekspozycja na wodę i sól może prowadzić do rdzy i pogorszenia. Śruby te służą do mocowania komponentów na statkach, dokach i innych konstrukcjach morskich.🛠Ogólna konserwacja i naprawa
Śruby sześciokątnesą również stosowane w ogólnej konserwacji i zadaniach naprawczych. Niezależnie od tego, czy zastąpią części maszynami, czy urządzeniem do mocowania w polu, śruby te zapewniają proste, ale skuteczne rozwiązanie do zabezpieczenia różnych elementów.
Dlaczego warto wybrać śruby sześciokątne?
Łatwość użytkowania
Heksagonalna konstrukcja głowy umożliwia łatwą instalację i usuwanie za pomocą standardowych narzędzi ręcznych, takich jak klucze i gniazda. Ta łatwość użycia zapewnia tośruby sześciokątneMożna szybko dokręcić lub rozluźnić, oszczędzając czas i wysiłek.Silne, bezpieczne przymocowanie
Z ich zdolnością do stosowania wysokiego momentu obrotowego,śruby sześciokątneoferować niezawodne i silne połączenie. To sprawia, że są one szczególnie cenne w zastosowaniach, w których należy zminimalizować ryzyko rozluźnienia śrub z powodu wibracji lub naprężenia mechanicznego.Trwałość w trudnych środowiskach
Śruby sześciokątneMożna pokryć wykończeniami ochronnymi, takimi jak galwanizacja cynku lub galwanizacja na gorąco, w celu zwiększenia ich odporności na rdzę i korozję. To sprawia, że nadają się do środowisk zewnętrznych i morskich, w których występuje narażenie na trudne warunki.Wszechstronność
Śruby sześciokątnesą dostępne w różnych materiałach, rozmiarach gwintów i długościach, zapewniając odpowiednią śrubę dla prawie każdej aplikacji. Ich wszechstronność sprawia, że są rozwiązaniem dla szerokiej gamy branż i projektów.
Wniosek
Śruby sześciokątnesą niezbędnym przymocowaniem do szerokiej gamy zastosowań, od konstrukcji i motoryzacyjnych po maszyny i środowiska morskie. Ich silne zastosowanie momentu obrotowego, wszechstronność, trwałość i odporność na korozję sprawiają, że są jednym z najbardziej niezawodnych i szeroko stosowanych rodzajów śrub. Niezależnie od tego, czy budujesz konstrukcję, montaż maszyn, czy prowadzisz ogólne naprawy,śruby sześciokątneZapewnij siłę i niezawodność potrzebną do zapewnienia bezpiecznych i długotrwałych połączeń.
Jeśli szukasz wysokiej jakościśruby sześciokątneW następnym projekcie skontaktuj się z nami już dziś. Oferujemy szeroki wybór śrub w różnych rozmiarach i materiałach, aby zaspokoić Twoje konkretne potrzeby.
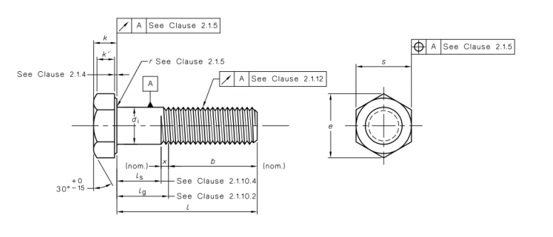
Rysunek produktu





