DIN EN 1665 Śruby kołnierzowe z łbem sześciokątnym – seria ciężka
Produkt: Śruby kołnierzowe z łbem sześciokątnym DIN EN 1665 – seria ciężka
Klasa właściwości: 4,6,4,8,5,6,5,8,8,8,10,9,12,9,
A2-70, A4-70,A4-80
Wykończenie: cynkowanie (żółty cynk, błękit cynkowy, kolor płukania), czarny, fosforan i olej, fosforan cynku, cynkowanie ogniowe (HDG), Dacromet, Geomet
Materiał: stal
Kraj eksportu: USA, Japonia, Australia, Europa i tak dalej
Wsparcie dostosowywania klienta
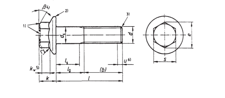
Wytrzymała sześciokątna śruba czołowa z kołnierzem DIN EN 1665 jest rodzajem łącznika, składającego się głównie z łba sześciokątnego, płyty kołnierzowej i pręta śrubowego. Wytrzymałe śruby z kołnierzem sześciokątnym mają pewne unikalne zalety w porównaniu ze zwykłymi śrubami. Po pierwsze, część kołnierzowa ma cienką część, która może się lekko odkształcić, aby wzmocnić połączenie. Po drugie, ponieważ łeb śruby jest mały, a kołnierz ma działanie dokręcające, można ją bezpiecznie stosować nawet na bardziej miękkich, nieodpornych na zużycie materiałach, nie powodując przebić. Dodatkowo, ponieważ śruby kołnierzowe mają mniejsze łby, można je łatwo wkręcić w otwory przy użyciu specjalistycznych narzędzi, podobnie jak śruby z łbem gniazdowym sześciokątnym.
Kino
Rysunek produktu
Specyfikacja produktu
Rozmiar |
M5 |
M6 |
M8 |
M10 |
M12 |
M14 |
M16 |
M20 |
|
P |
0,8 |
1,0 |
1,25 |
1,5 |
1,75 |
2.0 |
2.0 |
2.5 |
|
B |
l<125 |
16 |
18 |
22 |
26 |
30 |
34 |
38 |
46 |
125
|
/ |
/ |
28 |
32 |
36 |
40 |
44 |
52 |
|
l>200 |
/ |
/ |
/ |
/ |
/ |
/ |
57 |
65 |
|
c min |
1 |
1.1 |
1.2 |
1,5 |
1.8 |
2.1 |
2.4 |
3.0 |
|
da |
Typ F |
5.7 |
6.8 |
9.2 |
11.2 |
13,7 |
15,7 |
17,7 |
22.4 |
Wpisz U |
6.2 |
7,5 |
10,0 |
12,5 |
15.2 |
17,7 |
20,5 |
25,7 |
|
maks. prąd stały |
11.8 |
14.2 |
18.0 |
22.3 |
26.6 |
30,5 |
35,0 |
43,0 |
|
ds |
maks |
5,0 |
6,0 |
8,0 |
10,0 |
12,0 |
14,0 |
16.0 |
20.0 |
min |
4,82 |
5,82 |
7,78 |
9,78 |
11.73 |
13.73 |
15.73 |
19.67 |
|
dv maks |
5.5 |
6.6 |
8.8 |
10.8 |
12.8 |
14.8 |
17.2 |
21.6 |
|
dw min |
9,8 |
12.2 |
15.8 |
19.6 |
23.8 |
27,6 |
31,9 |
39,9 |
|
min |
8.71 |
10,95 |
14.26 |
17.62 |
19.86 |
23.15 |
26.51 |
33.23 |
|
k maks |
5.8 |
6.6 |
8.1 |
10.4 |
11.8 |
13,7 |
15.4 |
18.9 |
|
kW min |
2.6 |
3.0 |
3.9 |
5.1 |
5.6 |
6,5 |
7.3 |
8.9 |
|
Jeśli maks |
1.4 |
1.6 |
2.1 |
2.1 |
2.1 |
2.1 |
3.2 |
4.2 |
|
r1 min |
0,2 |
0,25 |
0,4 |
0,4 |
0,6 |
0,6 |
0,6 |
0,8 |
|
r2 maks |
0,3 |
0,4 |
0,5 |
0,6 |
0,7 |
0,9 |
1,0 |
1.2 |
|
r3 |
maks |
0,25 |
0,26 |
0,36 |
0,45 |
0,54 |
0,63 |
0,72 |
0,9 |
min |
0,10 |
0,11 |
0,16 |
0,20 |
0,24 |
0,28 |
0,32 |
0,4 |
|
r4 |
4,0 |
4.4 |
5.7 |
5.7 |
5.7 |
5.7 |
8.8 |
11.4 |
|
S |
maks |
8,0 |
10,0 |
13,0 |
16.0 |
18.0 |
21.0 |
24.0 |
30,0 |
min |
7,78 |
9,78 |
12.73 |
15.73 |
17.73 |
20.67 |
23,67 |
29,67 |
|
w |
maks |
0,15 |
0,20 |
0,25 |
0,30 |
0,35 |
0,45 |
0,50 |
0,65 |
min |
0,05 |
0,05 |
0,1 |
0,15 |
0,15 |
0,2 |
0,25 |
0,30 |
|
Wsparcie dostosowywania klienta |
|||||||||
Kilka słów wprowadzenia na temat naszej firmy
Aplikacja
Nasze produkty znajdują szerokie zastosowanie w przemyśle mechanicznym, elektrycznym, motoryzacyjnym, budowlanym, kolejowym, mostowym, parowym, przeciwpożarowym i komunikacyjnym itp.
Warsztat
Orzecznictwo
Dzięki kierownictwu naukowemu firma Jinan Star Fastener Co., Ltd. uzyskała certyfikat systemu zarządzania jakością ISO9001 w wersji 2015. W 2017 roku laboratorium przeszło krajową certyfikację CNAS. W 2018 roku firma przeszła europejski certyfikat CE.
Sprzęt pomiarowy
Nasza firma posiada specjalistyczne laboratorium wyposażone w cyfrowe twardościomierze, mikroskopy, uniwersalne maszyny wytrzymałościowe, mierniki siły osiowej, urządzenia do detekcji kruchości wodorowej, defektoskopy cząstek magnetycznych itp. Urządzenia eksperymentalne służą do kompleksowych badań składu chemicznego surowców, twardość produktu, właściwości mechaniczne, grubość powłoki i odporność na korozję, aby zapewnić, że wszystkie produkty spełniają standardowe wymagania i zadowalają klientów.
Sprzęt produkcyjny
Nasza firma dysponuje ponad 300 urządzeniami produkcyjnymi. Proces produkcji wyrobów obejmuje: wyżarzanie, śrutowanie, walcowanie na zimno, walcowanie gwintów, obróbkę cieplną, cynkowanie, testowanie gotowego produktu, pakowanie itp. i wszystko to odbywa się w firmie.
Uszczelka
Praca
1. Firma Jinan Star może dostarczyć wytrzymałe sześciokątne śruby czołowe z kołnierzem zgodnie z normami DIN EN 1665, w tym produkty o różnych rozmiarach, materiałach i poziomach wydajności.
2. Jeśli klient wymaga śrub o określonym rozmiarze, materiale lub poziomie wydajności, firma Jinan Star może dostosować produkcję do potrzeb klienta.
3. Firma Jinan Star posiada kompletny system logistyczny, który może szybko i dokładnie dostarczać produkty do wyznaczonych lokalizacji klientów.
Często zadawane pytania
1. Jak zapewnić jakość produktu?
Odpowiedź: Firma Jinan Star produkuje śruby ściśle według norm DIN EN 1665 i przeprowadza rygorystyczne kontrole jakości produktów, aby zapewnić, że jakość produktu spełnia wymagania normy.
2. Jak długi jest czas dostawy śrub?
Odpowiedź: Firma Jinan Star zorganizuje produkcję i dostawę tak szybko, jak to możliwe, aby klienci mogli otrzymać produkty na czas.
3. Jak wybrać odpowiednie śruby?
Odpowiedź: Klienci mogą wybrać odpowiednie śruby w oparciu o takie czynniki, jak rodzaj łączonych materiałów, wymagania wytrzymałościowe połączenia i środowisko użytkowania. Personel techniczny firmy Jinan Star Company może przedstawić klientom sugestie dotyczące wyboru.
4. Co zrobić, jeśli w trakcie użytkowania śrub pojawią się problemy?
Odpowiedź: Jeśli klienci napotkają problemy z jakością śrub lub problemy techniczne podczas użytkowania, mogą w dowolnym momencie skontaktować się z działem obsługi posprzedażnej firmy Jinan Star Company, a my zapewnimy klientom rozwiązania tak szybko, jak to możliwe.














