Śruby z łbem stożkowym i kwadratową szyjką ISO 8677
Produkt: ISO 8677Duży Śruby z łbem walcowym i kwadratową szyjką - klasa produktu C
Klasa nieruchomości: 4.6,4.8,5.6,5.8,8.8,10.9,12.9,
A2-70, A4-70, A4-80
Wykończenie: cynkowanie (żółty, niebieski, kolor płukania),, fosforan i olej, fosforan, ogniowy (HDG), Dacromet, Geomet
Materiał:Stal
Kraj eksportu: USA, Japonia, Australia, Europa i tak dalej
Obsługa dostosowywania klienta
Kiedy wymaga tego Twój projektmaksymalna siła trzymania, zabezpieczenie przed obracaniem i długotrwała trwałość – nie szukaj dalejŚruby z łbem stożkowym i kwadratową szyjką ISO 8677Zaprojektowany tak, aby spełniać rygorystyczne wymaganiaNormy ISO 8677te śruby dostarczająwyjątkowa wytrzymałość mechaniczna i niezawodne działanie momentu obrotowegow ciężkich zastosowaniach konstrukcyjnych, budowlanych i przemysłowych.
Niezależnie od tego, czy zajmujesz się produkcją ram stalowych, montażem mostów czy instalacją infrastruktury publicznej,Śruby z łbem stożkowym i kwadratową szyjką ISO 8677zapewnij niezrównaną niezawodność, na którą może liczyć Twój zespół.
Czym są śruby z łbem walcowym o dużym łbie i kwadratowym podcięciu zgodne z normą ISO 8677?
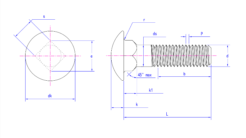
Śruby z łbem stożkowym i kwadratową szyjką ISO 8677cecha aszeroka kopulasta (kubkowa) główkazsolidna kwadratowa szyja, przeznaczonyzablokować na swoim miejscui odporne na obracanie podczas instalacji. Zgodne zMiędzynarodowa norma ISO 8677, te śruby są produkowane dointensywne użytkowanie, zwłaszcza w zespołach narażonych na duże drgania lub obciążenia.
Są idealne w sytuacjach, gdyduża siła docisku, montaż jednostronnyi konstrukcja zabezpieczająca przed manipulacjąsą niezbędne.
Główne cechy śrub z łbem stożkowym i kwadratową szyjką ISO 8677
✅ Zgodność z normą ISO 8677– Precyzyjnie wyprodukowane, aby spełniać międzynarodowe standardy
✅ Konstrukcja z dużą główką filiżanki– Rozkłada obciążenie na szerokiej powierzchni, zapewniając maksymalne mocowanie
✅ Blokowanie kwadratowej szyi– Zapobiega obracaniu się śruby podczas dokręcania
✅ Wysoka wytrzymałość na rozciąganie– Wytrzymuje ekstremalne obciążenia mechaniczne i środowiskowe
✅ Dostępne w wielu klasach– Stal węglowa, stal nierdzewna, ocynkowana ogniowo
✅ Rozmiary od M10 do M24+– Do średnich i bardzo ciężkich wymagań konstrukcyjnych
Zastosowania śrub z łbem stożkowym i kwadratową szyjką ISO 8677
Stosowany w najważniejszych projektach inżynieryjnych na całym świecie,Śruby z łbem stożkowym i kwadratową szyjką ISO 8677ufają:
🏗️ Montaż konstrukcji stalowych (mosty, wieże, magazyny)
🚧 Rozwój infrastruktury (systemy kolejowe, bariery ochronne, ogrodzenia)
🏭 Produkcja ciężkiego sprzętu
🛠️ Maszyny przemysłowe i systemy górnicze
🪛 Połączenia drewno-metal i metal-metal o dużym obciążeniu
Gdziebezpieczne mocowanie i integralność strukturalnanie podlegają negocjacjom, śruby te wyróżniają się jako najlepszy wybór w branży.
Dlaczego warto wybrać śruby z łbem kwadratowym ISO 8677 z dużym łbem stożkowym?
| Cecha | Korzyść |
|---|---|
| Znormalizowane ISO 8677 | Zapewnia globalną kompatybilność i kontrolę jakości |
| Duża kopulasta głowa | Lepsze rozłożenie obciążenia, poprawiona integralność powierzchni |
| Kwadratowa konstrukcja szyjki | Brak wirowania podczas dokręcania – idealne rozwiązanie w strefach o dużym natężeniu wibracji |
| Trwałe wykończenia powierzchni | Odporny na korozję, zużycie i trudne warunki środowiskowe |
| Duża ładowność | Idealny do dużych zespołów o charakterze konstrukcyjnym |
Zaufali nam inżynierowie na całym świecie
„Śruby ISO 8677 Large Cup Head Square Neck Bolts sprawdziły się bez zarzutu podczas rozbudowy naszej stacji kolejowej. Mocno blokujące, odporne na korozję i wytrzymałe przy ciągłych wibracjach”.
— ⭐⭐⭐⭐⭐ Starszy inżynier projektu
„Łatwa instalacja, doskonała jakość. Te śruby wytrzymują duże obciążenia i nie luzują się z czasem.”
— ⭐⭐⭐⭐⭐ Specjalista ds. zamówień publicznych na infrastrukturę
Dostępne dostosowywanie i dostawy hurtowe
ZapewniamyŚruby z łbem stożkowym i kwadratową szyjką ISO 8677w ilościach hurtowych z:
🧰 Niestandardowe długości, powłoki i rodzaje gwintów
📦 Opakowanie i etykietowanie OEM
🌍 Wysyłka na cały świat z krótkim czasem realizacji
📐 Pełne wsparcie techniczne i dokumentacja
Kup dziś śruby z łbem stożkowym i kwadratową szyjką ISO 8677
Szukamniezawodne rozwiązanie mocujące klasy przemysłowejwspierane przez międzynarodowe standardy? WybierzŚruby z łbem stożkowym i kwadratową szyjką ISO 8677aby mieć pewność, że Twój projekt opiera się na solidności, bezpieczeństwie i zgodności z przepisami.
👉Poproś o wycenę lub złóż zamówienie już dziś— Twoje solidne rozwiązanie mocujące jest zaledwie o kliknięcie dalej.



Rysunek produktu


