ASME B18.5.2.1M Śruby metryczne z łbem okrągłym, krótkim i kwadratowym
Produkt: Śruby z łbem okrągłym, krótkim i kwadratowym, metryczne ASME B18.5.2.1M
Klasa właściwości: 4,6,4,8,5,6,5,8,8,8,10,9,12,9,
A2-70, A4-70,A4-80
Wykończenie: cynkowanie (żółty cynk, błękit cynkowy, kolor płukania), czarny, fosforan i olej, fosforan cynku, cynkowanie ogniowe (HDG), Dacromet, Geomet
Materiał: stal
Kraj eksportu: USA, Japonia, Australia, Europa i tak dalej
Wsparcie dostosowywania klienta
ASME B18.5.2.1M to norma dotycząca śrub i nakrętek opracowana przez Amerykańskie Stowarzyszenie Inżynierów Mechaników (ASME) specjalnie dla szczegółowych specyfikacji i wymiarów śrub z łbem okrągłym i kwadratową szyjką. Śruby nośne z łbem okrągłym i kwadratową szyjką mają okrągłą główkę i kwadratową szyjkę, a ta konstrukcja jest często stosowana w zastosowaniach, które wymagają określonego kształtu łba i konstrukcji szyjki. Kwadratowa szyjka umożliwia użycie specjalnych narzędzi (takich jak klucze lub uchwyty kluczy) do obracania śruby, zwłaszcza gdy przestrzeń nad głowicą jest ograniczona lub należy zwiększyć wydajność przenoszenia momentu obrotowego. Śruby nośne z łbem okrągłym i kwadratową szyjką są powszechnie stosowane w budownictwie, inżynierii mechanicznej, motoryzacji i innych dziedzinach, które wymagają wytrzymałych i niezawodnych połączeń.
Kino
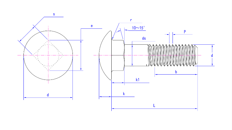
Rysunek produktu
Specyfikacja produktu
Rozmiar |
M6 |
M8 |
M10 |
M12 |
M14 |
M16 |
M20 |
|
P |
1 |
1,25 |
1,5 |
1,75 |
2 |
2 |
2.5 |
|
min |
12.2 |
15.8 |
19.6 |
23.8 |
27,6 |
31,9 |
39,9 |
|
maks. prąd stały |
14.2 |
18.0 |
22.3 |
26.6 |
30,5 |
35,0 |
43,0 |
|
ds |
maks |
6 |
8 |
10 |
12 |
14 |
16 |
20 |
min |
5.21 |
7.04 |
8,86 |
10,68 |
12.50 |
14.50 |
18.16 |
|
mi |
maks |
9.16 |
12.13 |
14,96 |
17,96 |
20,79 |
23.62 |
29,74 |
min |
7,64 |
10.2 |
12.8 |
15.37 |
17,97 |
20.57 |
25.73 |
|
k |
maks |
3.6 |
4.8 |
5.8 |
6.8 |
7.9 |
8.9 |
10.9 |
min |
3 |
4 |
5 |
6 |
7 |
8 |
10 |
|
k1 |
maks |
3 |
3 |
4 |
4 |
4 |
5 |
5 |
min |
2.4 |
2.4 |
3.2 |
3.2 |
3.2 |
4.2 |
4.2 |
|
R |
maks |
0,5 |
0,8 |
0,8 |
0,8 |
1.2 |
1.2 |
1.6 |
min |
0,2 |
0,4 |
0,4 |
0,4 |
0,6 |
0,6 |
0,8 |
|
S |
maks |
6,48 |
8,58 |
10,58 |
12.7 |
14,7 |
16,7 |
20.84 |
min |
5,88 |
7,85 |
9,85 |
11.82 |
13.82 |
15.82 |
19,79 |
|
Kilka słów wprowadzenia na temat naszej firmy
Aplikacja
Nasze produkty znajdują szerokie zastosowanie w przemyśle mechanicznym, elektrycznym, motoryzacyjnym, budowlanym, kolejowym, mostowym, parowym, przeciwpożarowym i komunikacyjnym itp.
Warsztat
Orzecznictwo
Dzięki kierownictwu naukowemu firma Jinan Star Fastener Co., Ltd. uzyskała certyfikat systemu zarządzania jakością ISO9001 w wersji 2015. W 2017 roku laboratorium przeszło krajową certyfikację CNAS. W 2018 roku firma przeszła europejski certyfikat CE.
Sprzęt pomiarowy
Nasza firma posiada specjalistyczne laboratorium wyposażone w cyfrowe twardościomierze, mikroskopy, uniwersalne maszyny wytrzymałościowe, mierniki siły osiowej, urządzenia do wykrywania kruchości wodorowej, defektoskopy cząstek magnetycznych, analizatory metalograficzne, analizatory węgla i siarki oraz maszyny do badania mgły solnej itp. Sprzęt do badań eksperymentalnych jest służy do przeprowadzania kompleksowych badań składu chemicznego surowców, twardości produktu, właściwości mechanicznych, grubości powłoki i odporności na korozję, aby mieć pewność, że wszystkie produkty spełniają wymagania norm i zadowalają klientów.
Sprzęt produkcyjny
Nasza firma posiada ponad 300 urządzeń produkcyjnych. Proces produkcji produktów obejmuje: wyżarzanie, śrutowanie, walcowanie na zimno, walcowanie gwintów, obróbkę cieplną, cynkowanie, testowanie gotowego produktu, pakowanie itp. Wszystko to odbywa się w firmie.
Uszczelka
Często zadawane pytania
O standardzie:
1. Jakie wymiary i specyfikacje określa norma ASME B18.5.2.1M?
Odp.: Norma szczegółowo określa wymagania dotyczące wymiarów, tolerancji, materiałów, obróbki powierzchni, znakowania i identyfikacji śrub z łbem okrągłym i kwadratowym.
Dlaczego śruby muszą spełniać tę normę?
Odp.: Przestrzeganie tej normy może zapewnić jakość, niezawodność i wydajność śrub spełniających potrzeby różnych zastosowań przemysłowych i mechanicznych.
2. O materiałach:
Jakie materiały są używane na śruby?
Odp.: Zgodnie z normą ASME B18.5.2.1M w śrubach można zastosować różne materiały, takie jak stal węglowa, stal nierdzewna itp. Konkretny materiał zależy od wymagań zastosowania i warunków środowiskowych.
Jakie są właściwości mechaniczne tych materiałów?
Odp.: Właściwości mechaniczne materiałów, takie jak wytrzymałość na rozciąganie, granica plastyczności, twardość itp. są zgodne z normą, aby zapewnić śrubom wystarczającą wytrzymałość i trwałość podczas użytkowania.
3. O obróbce powierzchni:
Jakiej obróbce została poddana powierzchnia śruby?
Odp.: Obróbka powierzchniowa śruby może obejmować cynkowanie, obróbkę cieplną itp. w celu poprawy jej odporności na korozję, zużycia i właściwości mechanicznych.
4. Informacje o wymiarach i tolerancjach:
W jaki sposób kontrolowane są tolerancje wymiarowe śrub?
Odp.: Korzystamy z zaawansowanego sprzętu produkcyjnego i precyzyjnych narzędzi pomiarowych, aby zapewnić, że tolerancja wymiarowa śrub spełnia wymagania normy ASME B18.5.2.1M.
5. O wątku:
Jaki jest rodzaj gwintu śruby?
Odp.: Zgodnie z normą ASME B18.5.2.1M typ gwintu śruby może obejmować UNC (ujednolicony gwint gruby) i UNF (ujednolicony drobnozwojny gwint) itp. Konkretny typ gwintu zależy od wymagań zastosowania.
6. O testowaniu:
Czy śruby zostały przetestowane pod kątem właściwości mechanicznych?
Odp.: Tak, wszystkie wyprodukowane śruby przeszły rygorystyczne testy właściwości mechanicznych, w tym wytrzymałości na rozciąganie, granicy plastyczności itp., aby zapewnić ich jakość i niezawodność.













